Add products by adding codes
Add a CSV file
Enter the product codes that you want to add to the basket in bulk (after a comma, with a space or from a new line).
Repeating the code many times will add this item as many times as it appears.
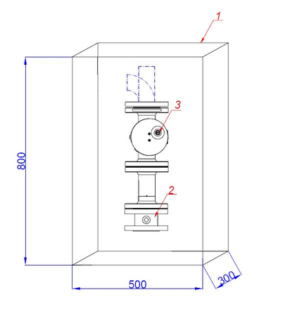
Gas cut-off point DN40
Gas point cut-off DN40
Gas cut-off points used downstream of the measuring or reduction-measuring system in potentially explosive (EX) zones.
Such a point includes flanged ball valves and an electromagnetic valve, which reliably and effectively cuts off the gas supply to the installation, when gas is detected in the room by detectors. The gas shut-off valve to the building, which is a component of the signaling and shut-off device, should be installed outside the building, between the main tap and the cable entry into the building.
Brand
Symbol
07-10-0000-09
Total height
800 mm
Width Total
500 mm
Color
RAL1021
Total depth
300 mm
Group
Gas point
The window in the door
No
Producers
WEBA
Material
Metal
Type of roof
Slanted
Type of gas cabinet
Free-standing
DN size
DN40
Ventilation
Door
Flange dimensions DN
DN40
Product dimensions
500x800x300
Discount group
C
Gross weight
0 kg
To the application
Domestic natural gas installation
Ask a question




