Tambahkan produk dengan menambahkan kode
Tambahkan file CSV
Masukkan kode produk yang ingin Anda tambahkan ke keranjang secara massal (setelah koma, dengan spasi, atau dari baris baru).
Mengulangi kode berkali-kali akan menambahkan item ini sebanyak yang muncul.
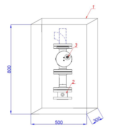
Gas cut-off point DN50
Gas point cut-off DN50
Gas cut-off points digunakan di bagian downstream dari sistem pengukuran atau pengukuran reduksi di zona berpotensi ledakan (EX).
Titik tersebut mencakup flanged ball valves dan electromagnetic valve, yang secara andal dan efektif memutus pasokan gas ke instalasi, ketika gas terdeteksi di dalam ruangan oleh detektor. Katup penutup gas gedung, yang merupakan komponen perangkat persinyalan dan penutup, harus dipasang di luar gedung, antara keran utama dan saluran masuk kabel ke dalam gedung.
Merek
Simbol
07-10-0000-12
Tinggi total
800 mm
Lebar total
500 mm
Warna
RAL1021
Kedalaman total
300 mm
Grup
Gas point
Jendela pada pintu
No
Producers
WEBA
Material
Metal
Type of roof
Slanted
Type of gas cabinet
Free-standing
Ukuran DN
DN50
Ventilasi
Door
Dimensi Flange DN
DN50
Dimensi Produk
500x800x300
Discount group
C
Berikan pertanyaan




